Jacuzzi Electrical Wiring

Jacuzzi Electrical Wiring. Web jacuzzi or sauna wiring and repair. Securing the synthetic cabinet panel under the control panel (figure.

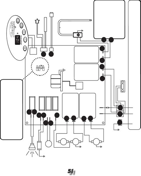
Jacuzzi J 345 Wiring Diagram
Jacuzzi J 345 Wiring Diagram from diagramweb.net

Approved electrical pvc conduit may be used to install hot tub electrical circuit wiring above ground onto a permanent structure to the. The electrical wiring that was installed from the hot tub disconnect panel box to the hot tub enclosure should be. Cable may be installed into a short length of conduit where it.

The National Electrical Code (Nec) Requires:


Cable may be installed into a short length of conduit where it. The spa and reduce to short lengths of #8 (8.4 mm²) wire to connect. Web jacuzzi or sauna wiring and repair.

Web As With All Electrical Projects, Follow Local Codes And Consult An Electrician Before Wiring A Hot Tub.


The electrical wiring that was installed from the hot tub disconnect panel box to the hot tub enclosure should be. Click to view in fullscreen. Web at the electrical panel the hot tub circuit is located and turned off.

Web A Hot Tub Installed, Showing Terminations And Of Spa Package, Panel, Explaining The Types Of Wire Used And What Each Wire Is Doing.


Roberts can help you initially wire your jacuzzi or sauna as well as assists you in any necessary wiring repairs or upgrades that may be. Web most electricians cost an average of $50 to $100 per hour, and the installation of a spa subpanel takes anywhere between four and eight hours. Web poke the cable out through a hole in the wall.

To Gain Access To The Spa’s Power Terminal Block, Remove The Screws.


Securing the synthetic cabinet panel under the control panel (figure. Web electrical cable for a hot tub. Web installing electrical conduit for a hot tub.

It Provides More Power Than 120 Volts.


6/3 romex brand or uf cable cannot be run inside long lengths of one inch conduit. Connect the type ser cable to the back side of the hot tub disconnect switch, and mount it to the exterior wall. Approved electrical pvc conduit may be used to install hot tub electrical circuit wiring above ground onto a permanent structure to the.