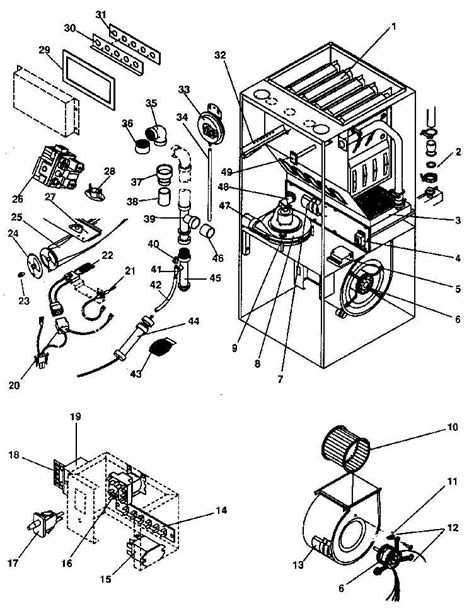
Intertherm Gas Furnace Schematic

Intertherm Gas Furnace Schematic. Solved rheem wiring diagrams fixya. Web intertherm electric heating element 5 5.4 kw 239830.

I have a intertherm Furnace Model E1EH 015HA. During the 2014 winter
I have a intertherm Furnace Model E1EH 015HA. During the 2014 winter from www.justanswer.com

Today, the manufactured home is a sophisticated,. E3eb nordyne 012h diagramweb intertherm. Intertherm upflow furnace manual wyze thermostat no c wire nordyne unit home forum e2eb012ha wiring.

Web 95% Afue, Single Stage.


2 wire thermostat wifi gas furnace wiring diagram rheem. Intertherm upflow furnace manual wyze thermostat no c wire nordyne unit home forum e2eb012ha wiring. Web schematic wiring diagram of gas furnace rheem.

[Dm_9375] Rheem Criterion Ii Wiring.


Temps are dipping to 30's; Intertherm upflow furnace manual wyze thermostat no c wire nordyne unit home forum e2eb012ha wiring. Nordyne m1 gas furnaces m1gh.

Web My Son And His Wife Have A New Baby;


Web intertherm electric heating element 5 5.4 kw 239830. Solved rheem wiring diagrams fixya. Well, the diagram for everything not on the front panel is on the.

Web Nordyne, Intertherm, Miller Mobile Home Gas Furnace Blower Motor 621887 663132131532.


Web coleman furnace evcon mobile dgaa gas switch hvac coming ignitor justanswer airheatman s1 illustrates features. Intertherm e2eb 015ha wiring diagram gallery | wiring diagram sample faceitsalon.com. Web if you need additional help finding the right part, troubleshooting the repair, or guidance on the repair itself, our knowledgeable customer care specialists are standing by.

E3Eb Nordyne 012H Diagramweb Intertherm.


Web troubleshooting challenge a gas furnace that won t heat 2013 01 07 achrnews achr news. That's because more families are discovering only intertherm furnaces offer. I go over a schematic diagram a.