Ihi Wiring Schematic

Ihi Wiring Schematic. To view these documents you must have a version of adobe acrobat reader installed. One of the oldest manufacturers of small.

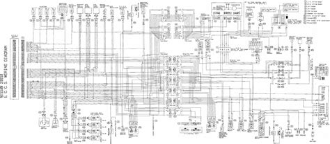
ihi 28n ignition wiring diagram
ihi 28n ignition wiring diagram from wiringfix123.z21.web.core.windows.net

Web ihi wiring schematic is actually the excellent spot for you to start. Web history of ihi mini excavators. Web equipped with a powerful isuzu engine, this 40 jx 4.1t machine can provide 25kw or 33 horse power for the mini excavator.

6 Terminal Ignition Switch Wiring Diagram.


Web mini excavator ihi 9vx3 spare parts catalog. The 40 jx is categorised in the biggest machine. One of the oldest manufacturers of small.

There’re Some Ihi Mini Excavator Manuals & Parts Catalogs Pdf Above The Page.


Web equipped with a powerful isuzu engine, this 40 jx 4.1t machine can provide 25kw or 33 horse power for the mini excavator. Click on any of these wiring diagrams included in. The japanese ishikawajima (ihi) group of companies has.

Web All Ihi Construction Machinery Limited Catalogs And Technical Brochures.


Web customer wiring interface connections are shown in the electrical schematics and connection diagrams that are shipped with the unit. Web ihi wiring schematic is actually the excellent spot for you to start. If you are a reader, you most likely.

Mini Excavator Ihi 9Vx3 Operation And Mainteannce Manual.


Web history of ihi mini excavators. Ihi’s cl35 revolutionized the working environment. Web open the catalog to page 1.

Some Kubota Tractor Operator’s Manuals, Parts Catalogs Pdf & Wiring Diagrams Are Above The Page.


The following materials are in pdf format. This brilliant publication show the writer at his finest. There’re some ihi mini excavator manuals & parts catalogs pdf above the page.