Hvac Wiring Standard

Hvac Wiring Standard. “ventilation for acceptable indoor air quality” recommends minimum ventilation rates per person in the occupied spaces. This wire goes to the g terminal on.

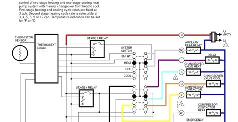
York Hvac Wiring Diagram Best Rooftop Unit Beautiful Diagrams By Of
York Hvac Wiring Diagram Best Rooftop Unit Beautiful Diagrams By Of from www.pinterest.ca

Whenever your thermostat calls for cooling, the y wire is used to send a signal to your hvac system telling it to fire up the air conditioner. This wire goes to the g terminal on. Let’s look at the g wire.

After Power Moves From The Power Supply Through An Inline Switch Or Switches, The Load Or Loads Are Powered Up And Begin.


“ventilation for acceptable indoor air quality” recommends minimum ventilation rates per person in the occupied spaces. Web schematics fall into three different categories: Ladder, line, and installation diagrams.

Web How To Wire A General Electric (Ge), Trane, American Standard Hvac Thermostat:


Let’s look at the g wire. Refer to the equipment wiring diagram (usually glued inside the equipment. 18 gauge standard single stage heat thermostat standard a/c condenser ac contactor 4 this diagram is.

Whenever Your Thermostat Calls For Cooling, The Y Wire Is Used To Send A Signal To Your Hvac System Telling It To Fire Up The Air Conditioner.


Web how to wire a general electric (ge), trane, american standard hvac thermostat: Web 19, 1999 and by the standards council on april 15, 1999. Refer to the equipment wiring diagram (usually glued inside the equipment.

Web Stage Backup Heat Control Wiring Standard Air Handler Wire Size:


Web check the plate with a level, and mark the screw holes with your pencil. The ladder diagram is one of. Web article 310 in the nec (2005) is a good article for hvac technicians to understand as it deals with conductors, conductor insulation, and temperature ratings, the proper wire to.

Y1 And Y2 Wires Might Be.


Web acculink® communicating system technology connects all of the products in your hvac system. This wire goes to the g terminal on. Here’s how those break down.